Гидроприводные лебёдки
Лебедкой принято считать механизм, предназначенный для подъема-опускания грузов посредством стального каната или цепи, реже – с помощью стальной проволоки. Это устройство широко применяют при выполнении погрузочно-разгрузочных работ в строительстве, на транспорте, складах, в лесозаготовительном и сельскохозяйственном производстве, судостроении, а также в нефтепромысловых машинах, нефтегазовом оборудовании и во многих других случаях. Однако следует иметь в виду, что лебедки не предназначены для подъема людей.
![]() |
| Гидравлическая лебедка буровой машины БГМ-1М |
По конструктивному исполнению лебедки бывают стационарные, мобильные, устанавливаемые на передвижные транспортные средства (автомобили, тракторы) или встраиваемые в грузоподъемные средства на специальных машинах. В России серийно изготавливают лебедки с ручным, механическим или электрическим приводом с тяговым усилием от 6,5 до 50 кН. Лебедки с гидравлическим приводом со встроенными планетарными редукторами давно и успешно применяют в составе стреловых кранов грузоподъемностью от 156,8 до 490 кН (от 16 до 50 тс). В оборудовании для лесозаготовок лебедки устанавливают преимущественно на гусеничных трелевочных тракторах ТТ-4М Алтайского и Онежского заводов. Как правило, это однобарабанные лебедки, реверсивные с механическим приводом. Обычно привод от трансмиссии тракторов идет к лебедке через карданную передачу, раздаточный редуктор и двух-трехступенчатую коробку передач. Управляются такие лебедки вручную при помощи двух-трех рычагов.
![]() |
| Лебедки серии BH применяют на машинах компании Dinamic Oil для бурения скважин. Они работают от радиально-поршневого гидромотора |
Лебедки с механическим приводом и рычажным управлением – более металлоемкие, габаритные и трудоемкие в изготовлении. Если требуется двух- или трехскоростная частота вращения барабана лебедки, конструкция механической передачи заметно усложняется. Отечественная промышленность не изготавливает лебедки с гидравлическим приводом как отдельный исполнительный механизм для выполнения подъемно-транспортных операций, монтажных и других работ. За рубежом гидроприводные лебедки применяют широко.
Типовая лебедка с гидроприводом обычно состоит из следующих частей: барабана, на который наматывается канат, цепь или стальная проволока, передающая тяговое усилие; приводного гидромотора; планетарного редуктора и многодискового тормоза, установленных на корпусе лебедки; распределителя; предохранительного, обратного, «челночного» клапанов, обеспечивающих предохранение от перегрузок и спуск груза; дополнительных средств, обеспечивающих безопасную эксплуатацию.
![]() |
| Лебедка серии Р |
Центральный научно-исследовательский и проектно-конструкторский институт механизации и энергетики лесной промышленности (ОАО «ЦНИИМЭ») в последние годы выполнял аналитические и экспериментальные работы по созданию новой канатной трелевочной установки МЛ-139 с трехбарабанной лебедкой. Ее создавали на шасси автомобиля КамАЗ-43-118, со специальной мачтой для выполнения лесозаготовительных работ на крутых склонах (свыше 15°). Опытный образец установки в качестве экспоната демонстрировался в Москве на международной выставке «Лесдревмаш-2004», но серийное производство до настоящего времени не начато. Причин тому много, и главная – это отсутствие необходимых средств у производителя и жесткие требования к сберегающим технологиям органов сертификации.
На примере гидроприводных лебедок европейских компаний Brevini (серий JMI и DM) и Dinamic Oil (серии Hydraulic Winchees) видно, что лучше всего задача подъема груза решается с помощью регулируемой замкнутой гидропередачи в агрегатном исполнении, состоящей из регулируемого насоса и регулируемого гидромотора с широким диапазоном также регулируемых частот вращения выходного вала гидропередачи. Например, тяговое усилие на канате лебедок компании Brevini серии DW – 4900...34 300 Н (500...3500 кгс); лебедок серии JMI – 9800...294 000 Н (1000...30 000 кгс).
![]() |
| Лебедка серии NP |
Компания Dinamic Oil разработала 26 типоразмеров гидравлических лебедок: пять типоразмеров серии BH, пять серии NP, шесть серии P и двенадцать типоразмеров наиболее перспективных лебедок серии S c унифицированной зубчатой передачей, с электрогидравлической и электронной системами ограничения внешней нагрузки при подъеме с максимальным усилием на тяговом канате. Гидроприводные лебедки серии BH c номинальным тяговым усилием на канате 7840...19 600 Н (800...2000 кгс) получили известность благодаря простой и надежной конструкции. Лебедки серии Р с тяговым усилием 5880...19 600 Н (600...2000 кгс) благодаря оригинальному проекту и компактности также пользуются успехом на рынке. Зубчатый редуктор, дисковый тормоз и гидромотор лебедок этой серии размещаются в барабане лебедки, а предохранительный клапан, понижающий давление при превышении номинального тягового усилия в канате, установлен на гидромоторе.
Не так давно Dinamic Oil освоила производство лебедок серии NP '<4900...12 740 Н (500 до 1300 кгс)'>, в которых применен унифицированный ряд зубчатых колес силовой трансмиссии. Эта унификация является реакцией компании на рыночную ситуацию: снижение затрат потребителя в процессе эксплуатации этого устройства влияет на спрос.
![]() |
| Серия NP |
Гидравлические лебедки серии P заменят лебедки серии S, тем самым продолжатся традиции компании Dinamic Oil, изготавливающей компактные лебедки с улучшенными эксплуатационными свойствами. Этого удается достигать, например, благодаря применению широкого ряда аксиально-поршневых гидромоторов. Кроме упомянутых серий компания также выпускает лебедки серии N '<19 600...98 000 Н (2000...10 000 кгс)'> и серии SW c тяговым усилием по заказу потребителя.
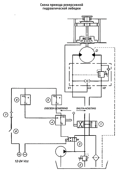
Рассмотрим подробней отдельные узлы гидравлической лебедки. Статический (нормально-открытый) тормоз состоит из стальных дисков, соединенных с валом электродвигателя переменного тока (или альтернативным) и с другими стальными дисками, соединенными с корпусом лебедки. Диски размещаются в масле под давлением, которое создает гидропривод, и блокируются в пакет с помощью тарельчатых пружин. Вращение дисков автоматически останавливается, как только мотор выключен. Открытие-закрытие тормоза определено пуском и остановкой мотора.
![]() |
| Серия Р |
Эпициклоидальный шестеренный редуктор установлен в барабане лебедки для увеличения усилия подъема и уменьшения скорости вращения барабана в системе гидропривода, чтобы обеспечить номинальное усилие в тяговом канате для эффективного подъема груза.
Предохранительный (контрольный) клапан служит для обеспечения плавного опускания груза на канате. С помощью настройки давления гидроуправления он предотвращает перегрузку в экстренных случаях. Это защитное устройство считают фундаментальным средством безопасности.
Барабан и опорные элементы. Барабаны обычно делают из стальной трубы или отливают из стали. Опорные элементы скрепляют болтами или сваривают.
Гидропривод особенно важен. Обычно к гидравлической лебедке рабочая жидкость (РЖ) подводится по двум стальным трубопроводам, которые подают ее к гидромотору. Распределитель с открытым центром – «фундамент» управления, который позволяет рабочим отводам гидромотора направлять поток РЖ в резервуар, определяя направление вращения лебедки. Гидрораспределитель должен быть конфигурации «H», он обеспечивает автоматически пружинный возврат рукоятки управления в исходную (нейтральную) позицию каждый раз после того, как ее перемещает оператор.
![]() |
| Лебедка серии S |
РЖ под давлением, противодействуя сжатию пружин, размыкает тормозные диски, установленные один напротив другого, и обеспечивает свободное вращение вала электромотора. Если рукоятка распределителя установлена в центре (в нейтральной позиции), то пружины должны блокировать тормозные диски. Таким образом, РЖ под давлением при замкнутом тормозе отводится через два отверстия от гидромотора в бак гидросистемы. Если бы распределитель был с закрытым центром, как один запорный элемент, это исключило бы свободное перетекание РЖ от рабочих отводов гидромотора в бак гидросистемы и не позволило замкнуть тормоз. В таком случае лебедка тоже работает, но с перебоями: груз на канате имеет тенденцию опускаться. Минимальное давление, обеспечивающее замкнутое состояние тормоза, должно быть 0,4...0,5 МПа.
Если внутренний диаметр трубопроводов является недостаточным для нормального потока РЖ, то повышение давления в гидросистеме может вызвать отказ в работе грузоподъемного механизма, особенно при низкой температуре окружающей среды. В случае остановки груза на канате давление, создаваемое на поршне тормоза, вызовет отказ тормозного устройства. Для обеспечения безотказной работы тормозной системы необходимо, чтобы давление в трубопроводах тормозов не превышало 0,4...0,5 МПа.
![]() |
| Пульт управления и гидролебедка бурильно-кранового оборудования БКО-321 для монтажа на шасси колесного трактора Т-150 |
Применение гидропривода с замкнутым потоком исключает необходимость применять традиционные узлы и агрегаты – карданный вал, муфту сцепления, промежуточный редуктор или коробку передач, тормоз, так как в барабане лебедки уже установлен нормально-замкнутый многодисковый тормоз, а в гидросистеме имеется обратный клапан, исключающий самопроизвольное опускание груза при попутной нагрузке за счет абсолютной герметичности.
Преимущества гидропривода с замкнутым потоком в некоторых случаях полезно использовать. Так, избыточное давление на входе в насос обеспечивает заполнение рабочих камер насоса при максимальной частоте вращения. Это позволяет применить насос меньшего рабочего объема (т. е. меньшего типоразмера, массы и стоимости) и использовать объемный гидропривод при низких температурах в условиях холодного климата на масле МГ-15В по ГОСТ 17479–85 (ВМГЗ, ТУ 38.1-1479-00). Кроме этого избыточное давление на входе в основной насос позволяет запускать в работу машину при температуре масла МГ-15В ниже –40 °С без предварительного разогрева РЖ. Это обеспечивает работоспособное состояние гидроприводной лебедки в условиях холодного климата (исполнение ХЛ) в соответствии с требованием ГОСТ 15150–69 «Машины, приборы и другие технические изделия. Исполнения для различных климатических районов, категории, условия эксплуатации, хранения и транспортировки в части воздействия климатических факторов внешней среды».
При эксплуатации гидроприводных лебедок в районах с умеренным климатом (исполнение У) в качестве летнего сорта и всесезонного для районов с теплым климатом (исполнение Т) рекомендуется гидравлическое масло МГЕ-46В (МГ-30) по ТУ 38.001347-83 в интервале изменения температуры от –20 до +75 °С. Периодичность замены гидравлического масла основных сортов – 3500...4000 ч, но не реже одного раза в два года.
![]() |
| Серия S с кабелем натяжного устройства и микровыключателем на конце каната |
Другим важным компонентом гидросистемы является фильтр. При установке аксиально-поршневых насосов рекомендуется применять в гидросистеме фильтры номинальной тонкостью фильтрации 10 мкм. Для героторных или радиально-поршневых гидромоторов допускается применять фильтры с номинальной тонкостью фильтрации не выше 25 мкм. Безотказность и длительность эксплуатации гидравлических лебедок напрямую зависит от своевременной замены загрязненных фильтроэлементов.
Для безаварийной эксплуатации гидросистемы необходимо наличие клапана максимального давления. Если по какой-либо причине в распределителе нет клапана, его следует установить в напорном трубопроводе при предварительном давлении открытия в соответствии с инструкцией по эксплуатации конкретного механизма или машины.
Для нормальной работы гидравлического мотора оптимальная температура РЖ в гидросистеме должна быть в пределах от +30 до +60 °С при кинематической вязкости РЖ 20...75 мм/с2. Допустимый диапазон рабочих температур окружающей среды –40...+60 °С.
![]() |
| Общий вид лебедки с электронной системой ограничения нагрузки |
Комплектующие устройства. Гидравлические лебедки обычно комплектуются кабелем натяжного устройства, кабелем натяжного устройства с электрическим переключателем, кабелем натяжного устройства с электрическим переключателем нагрузки, прибором для измерения удлинения каната (исключая лебедки серии BH), прибором для измерения частоты вращения (только для лебедок серии Р).
Ограничитель нагрузки и экстензометр (прибор для измерения удлинения каната) устанавливают по заявке потребителей. Он определяет деформацию конструкции лебедки, вызванную усилием натяжения каната.
Электронная система ограничения нагрузки состоит из следующих компонентов: экстензометрического датчика (экстензометры соединены между собой мостиком сопротивления и приклеены к стальной пластине) и электронной панели, обрабатывающей сигнал, который передает датчик. Каждая деформация конструкции лебедки, возникающая под действием тягового усилия каната, приводит к изменению длины стальной пластинки экстензометра и, следовательно, изменению сопротивления в мостике сопротивления.
![]() |
| Гидравлическая лебедка на бурильно-шнековой машине МБШ-818 |
Электронная панель увеличивает дисбаланс мостика и сравнивает его с величиной, на которую сделана тарировка (настройка). Если деформация превышает максимально допустимую нагрузку на лебедку, грузоподъемный механизм отключается, так как срабатывает электромагнитный клапан на гидравлической станции. В этом случае оператору машины следует снизить нагрузку, пока деформация не уменьшится до нормального значения.
Подводя итог этой публикации, можно отметить, что гидравлические лебедки применяют как самостоятельные исполнительные механизмы, так и в составе других грузоподъемных машин и механизмов, выполняющих погрузочно-разгрузочные, монтажные, строительные, ремонтные работы, а также для трелевки леса и штабелирования древесины. Лебедки являются частью (иногда основным агрегатом) грузоподъемных кранов, трубоукладчиков, канатных дорог, буровых установок и многих других механизмов.
В России производство современных гидравлических лебедок целесообразно и возможно организовать, если проанализировать и максимально использовать зарубежный опыт проектирования и производства. Не исключается и возможность создания совместных производств.
![]() |
![]() |

























